FRAZIONARE UN IMMOBILE COME E' CAMBIATO IL MERCATO NEL 2023

Il frazionamento di un appartamento ad oggi risulta essere una operazione molto conveniente in quanto comporta un aumento del valore del bene che verà diviso due o più unità abitative indipendenti. Ciò vuol dire che le nuove abitazioni  potranno a loro volta essere affittate con maggiore  reddito o rivendute con maggior valore. In questo preciso momento storico ed economico, le unità immobiliari di ampia metratura,  se non sono appetibili o ubicate in zone centrali, non  hanno grande riscontro di mercato, poichè comportano all' acquisto delle aggravant rispetto ai piccoli tagli: mutui con alti tassi, costi più elevati di utenze ecc...Alcune società si sono attrezzate in modo da acquistare tali immobili in contanti, usufruendo del contributo di soci finanziatori o investitori, riuscendo a chiudere la trattativa a prezzi più vantaggiosi.

 Ovviamente non tutti gli immobili possono essere frazionati, per questo motivo, prima di imbarcarsi in una simile avventura, sarà di fondamentale importnza fare alcune impotrtanti valutazioni:

1) Affidarsi ad un tecnico per valutatare la fattibiltà della cosa secondo il piano regolatore e del regolamento edilizio

2) Prendere visione del regolamento di condominio per valutare se ci fossero eventuali espressi divieti 

3) Valutare il risultato finale tramite ipotesi progettuali eseguite da un architetto

4) Valutare i costi di rustrutturazione e dei materiali

5) Valutare il rapporto costo di acquisto e di ristrutturazione in comparaione con il  prezzo di vendita  o di affitto futuro delle singole unità

Se da una prima analisi non risultasse possibile attenersi alle prescrizioni sanitarie per gli allacci, le canne fumarie, le tubazioni o il rapporto tra superfici e finestre, oppure se il regolamento condominiale  espressamrente vietatasse simili attività, allora il frazionamento non potrà essere portato avanti.


Come si fraziona un immobile?

Nel caso incui tutte queste problematiche fossero risolte,  si potrà provvedere ad un frazionamento, con una pratica burocratica eseguita da un tecnico abilitato ed un  inizio e la fine dei lavori, ma non è necessario alcun permesso a costruire, a patto che non si vadano a modificare i volumi o i prospetti dell’immobile oggetto della pratica di divisione. Questa pattuizione va, quindi, a semplificare l’intero iter burocratico, velocizzando le pratiche urbanistiche all’interno dei singoli Comuni. Basterà la semplice una Comunicazione di Inizio Lavori Asseverata (CILA) per poter procedere con frazionamenti e fusioni di unità immobiliari che non necessitino di modificarne il volume originario, nè la destinazione d’uso. Nel Testo unico dell’Edilizia, inoltre, il frazionamento è considerato un intervento di “manutenzione straordinaria” (Art 3 c.1 Lett. D del DPR 380/01), quindi autorizzabile con CILA, se i lavori non comportano interventi strutturali. Un elemento strettamente correlato con il frazionamento delle nuove unità immobiliari,  è nuovo accatastamento per mezzo della procedura Docfa delle nuove unìtà immobiliari realizzate, oltre all’ aggiornamento dei millesimi, i quali dovranno essere ricalcolati sulla base delle nuove porzioni che si saranno venute a creare.

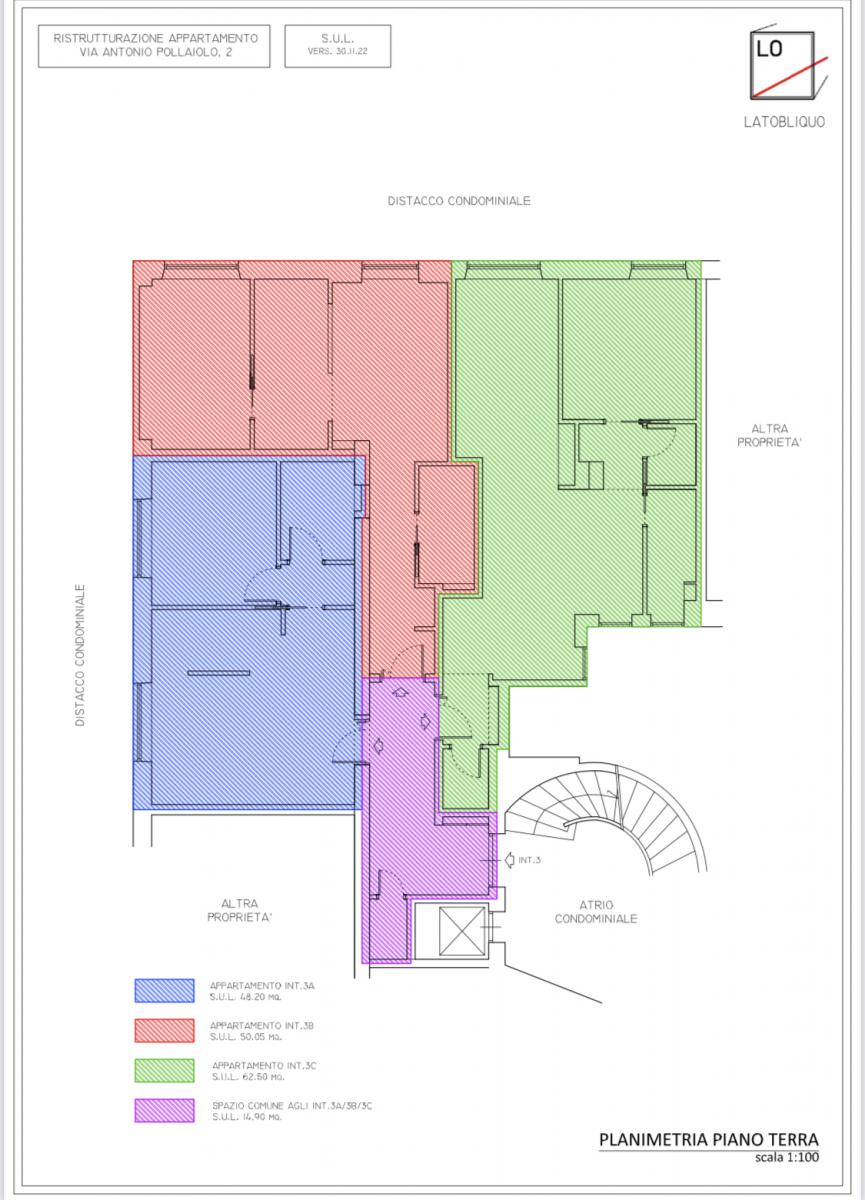
Di seguito riporterò un esempio  di  frazionamento attualmente  in esecuzione in zona Parioli, così potrete seguire tutti gli step che porteranno alla realizazione finale delle nuove abitazioni  che sono già attualmente in vendita sui miei canali immobiliari e sullo stesso mio sito.

 

 

Quanto costa?

I costi per una procedura di frazionamento variamo molto da appartamento a appartamento e possono essere divise tra due categorie:

  • Spese di costruzione: tra cui rientrano tutti i costi della manodopera sui lavori fisici che verranno portati avanti (come la suddivisione stessa dell’appartamento o gli allacci);
  • Spese burocratiche: tutte le spese più o meno fisse che prevedono il pagamento delle parcelle per i tecnici, i diritti di segreteria, le varie imposte catastali e gli oneri urbanistici.

 

Scritto il 10-01-2023 da Alessandra Müller

Dicono di noi

Agente Immobiliare Abilitato e Certificato